Product Details
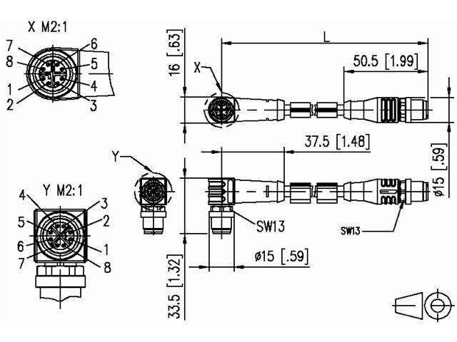
| Cordset Shielded M12 X-Code Gigabit Ethernet Male Straight 8 Pole – Male Angled 8 Pole - 10M PUR Cable IP67. |
- Shielded M12-M12 Ethernet Connection Line
- Cat.6A, 8-pole, X-coded
- M12 Connector, Angled on M12 Connector, Straight
- Extrusion-coated Cable on M12 Connectors
- Stranded Wires 4x2xAWG26/7 PiMF
- Overall Shield Tinned Copper Braid
- 1:1 Pin Assignment
- Green Cable, PUR
